
S:Due to their high limiting speeds and very low, uniform frictional torque across the whole speed range, these bearings are particularly suitable for combination with torque motors.
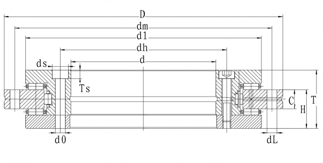
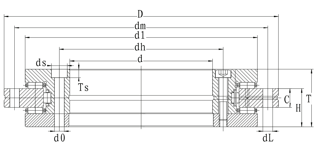
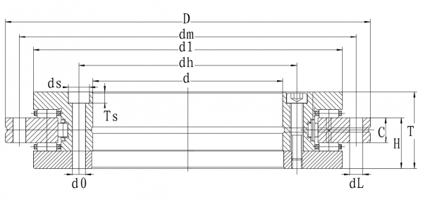
| bearing type | boundary dimension | fixing holes | number of retaining scews | extraction thread | numberof | screw | basc laod rating | static | static | limiting | weight | ||||||||||||||
|---|---|---|---|---|---|---|---|---|---|---|---|---|---|---|---|---|---|---|---|---|---|---|---|---|---|
| pithX angle of | tightening | axial | load | load | speed | ||||||||||||||||||||
| pithch | torque | dynamic | radial | ||||||||||||||||||||||
| load | dynamic | ||||||||||||||||||||||||
| load | |||||||||||||||||||||||||
| d | D | H | H1 | C | d1 | dn | dm | inner ring | outer ring | G | quantity | quantity | MA | Ca | Coa | Cr | Cor | grease | |||||||
| unit:mm | do | ds | Ts | quantity | dl | quqntity | Nm | KN | r/min | Kg | |||||||||||||||
| YTRS200 | 200 | 300 | 45 | 30 | 15 | 274 | 215 | 285 | 7 | 11 | 6.2 | 46 | 7 | 45 | 2 | M8 | 3 | 48*7.5 | 14 | 155 | 840 | 94 | 226 | 1160 | 9.7 |
| YTRS260 | 260 | 385 | 55 | 36.5 | 18 | 345 | 280 | 365 | 9.3 | 15 | 8.2 | 34 | 9.3 | 33 | 2 | M12 | 3 | 36*10 | 34 | 173 | 1050 | 110 | 305 | 910 | 18.3 |
| YRTS325 | 325 | 450 | 60 | 40 | 20 | 415 | 342 | 430 | 9.3 | 15 | 8.2 | 34 | 9.3 | 33 | 2 | M12 | 3 | 36*10 | 34 | 191 | 1260 | 109 | 320 | 760 | 25 |
| YTRS395 | 395 | 525 | 65 | 42.5 | 20 | 486 | 415 | 505 | 9.3 | 15 | 8.2 | 46 | 9.3 | 45 | 2 | M12 | 3 | 48*7.5 | 34 | 214 | 1540 | 121 | 390 | 650 | 33 |
| YTRS460 | 460 | 600 | 70 | 46 | 22 | 560 | 482 | 580 | 9.3 | 15 | 8.2 | 46 | 9.3 | 45 | 2 | M12 | 3 | 36*10 | 34 | 221 | 1690 | 168 | 570 | 560 | 45 |